Skip to product information
Deluxe LED Light Kit for EZGO TXT Golf Carts 2014+ - 3 Guys Golf Carts
Deluxe LED Light Kit for EZGO TXT Golf Carts 2014+ - 3 Guys Golf Carts

Deluxe LED Light Kit for EZGO TXT Golf Carts 2014+

SKU: Parts:CC-1040
$139.99 

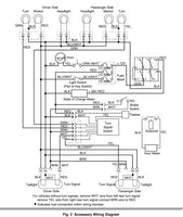
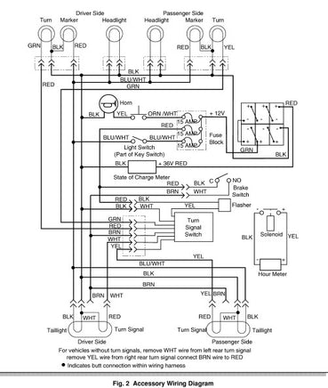
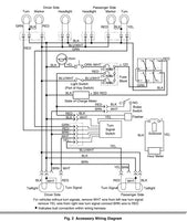
Brand new high quality EZGO TXT light kit.
Fits 2014 and newer EZGO TXT carts.
Includes 2 tail lights, 2 LED headlights, wiring harness, on/off switch, horn and turn switch.
We recommend buying a voltage reducer with this kit.
Professional Installation is highly recommended. We do not offer technical support.